Profil aluminiowy 4040 czarny
Skonfiguruj swój produkt
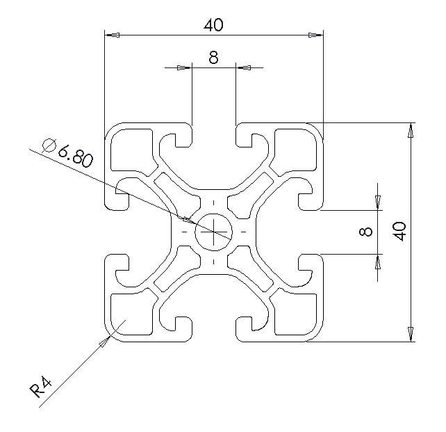
Konstrukcyjny profil aluminiowy czarny Alux 40x40 ma szerokość 40 mm i wysokość 40 mm. Profil systemowy ma 4 szczeliny o szerokości 8 mm. Głębokość rowka T wynosi 12 mm. Na obu końcach profilu znajduje się otwór 6.8 mm, w którym po wcześniejszym użyciu gwintownika możesz umieścić śrubę M8. Profile są anodowane na czarno.
Nasze aluminiowe profile konstrukcyjne serii 40 są kompatybilne z profilami sytemu ISB, ISP, I-Type, ITEM.
|
System profili aluminiowych |
ITEM, ISB, ISP, I-Type |
|
Rowek profilu aluminiowego |
8mm |
|
Seria profilu aluminiowego |
40mm |
|
Rozmiar profilu aluminiowego |
40x40 mm |
|
Rozmiar rowka |
8mm -0/+0,3mm |
|
Rdzeń profilu aluminiowego |
6.8mm -0.2/+0mm |
|
Cięcie profilu aluminiowego |
-1/+1mm |
Specificaties
Informacje techniczne
|
Wykończenie powierzchni |
|
|
Anodowane wykończenie powierzchni |
E6C35 (czarny) 10-15 µm |
|
Certyfikacja profili aluminiowych |
|
|
Certyfikat specyfikacji materiałowej |
3.1 na zapytanie |
|
Właściwości mechaniczne |
|
|
Materiał |
EN-AW 6063 |
|
Wyżarzanie |
T66 |
|
Granica sprężystości |
Rp0.2>=200 [N/ mm2] |
|
Wytrzymałość na rozciąganie |
Rm>=245 [N/ mm2] |
|
Pełzanie |
A >= 8 [%] |
|
Pełzanie |
A5 0mm>= 6 [%] |
|
Twardość |
>= 80 [HB] |
|
Specyfikacja techniczna |
|
|
Przekrój poprzeczny |
504,80 [mm2] |
|
Środek masy X |
20,00 [mm] |
|
Środek masy Y |
20,00 [mm] |
|
Geometryczne momenty bezwładności |
Ix 75648,00 [mm4] |
|
Geometryczne momenty bezwładności |
IY 75648,00 [mm4] |
|
Współczynnik wytrzymałości przekroju na zginanie |
Wx 3663,40 [mm3] |
|
Współczynnik wytrzymałości przekroju na zginanie |
Wy 3663,40 [mm3] |
|
Waga nominalna |
1,395 [kg/m] |
Kalkulator ugięcia
Kalkulator ugięcia konstrukcyjnego profilu aluminiowego
Narzędzie to dostarcza przybliżonych, teoretycznych wyników, których nie możemy zagwarantować w praktyce.
Konfiguracje konstrukcyjnych profili aluminiowych
Podparcie profilu skrajne

Profile wspornikowe

Profile stałe






