Profil aluminiowy 9090
Skonfiguruj swój produkt
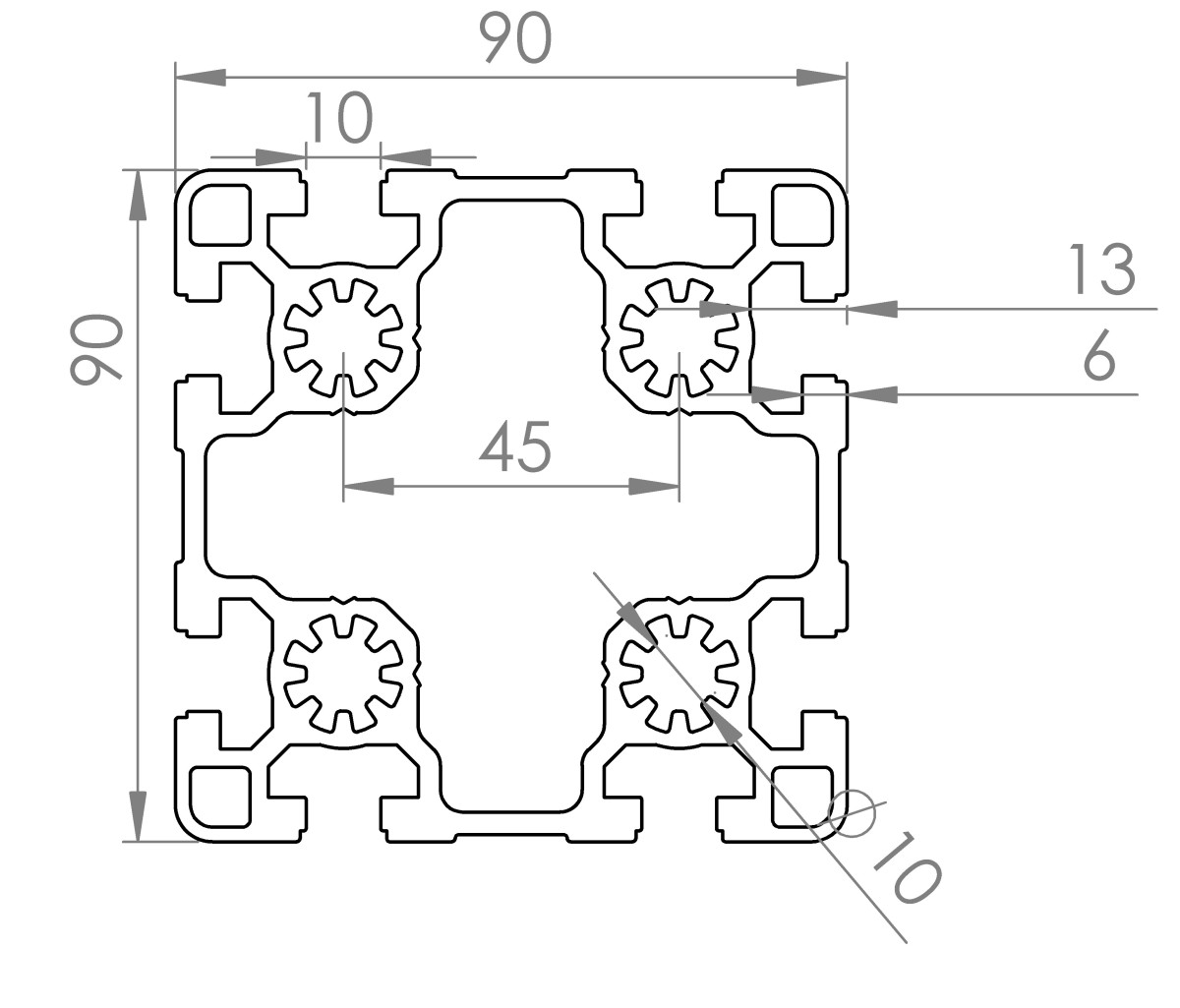
Konstrukcyjny profil aluminiowy Alux 90x90 ma szerokość 90 mm i wysokość 90 mm. Profil systemowy ma 6 szczeliny o szerokości 10 mm. Głębokość rowka T wynosi 14.5 mm. Na obu końcach profilu znajduje się otwór ⌀10 mm, w którym po wcześniejszym użyciu gwintownika możesz umieścić śrubę M12. Profile aluminiowe anodowane.
Nasze aluminiowe profile konstrukcyjne serii 45 są kompatybilne z profilami sytemu BSB, BSP, B-Type, Bosch.
|
System profili aluminiowych |
BOSCH, BSB, BSP, B-Type |
|
Rowek profilu aluminiowego |
10mm |
|
Seria profilu aluminiowego |
45mm |
|
Rozmiar profilu aluminiowego |
45x90 mm |
|
Rozmiar rowka |
10mm -0/+0,3mm |
|
Rdzeń profilu aluminiowego |
10mm -0.2/+0.2mm |
|
Cięcie profilu aluminiowego |
-1/+1mm |
Specificaties
Informacje techniczne
|
Wykończenie powierzchni |
|
|
Anodowane wykończenie powierzchni |
E6EV1 (srebrny) 10-15 µm |
|
Certyfikacja profili aluminiowych |
|
|
Certyfikat specyfikacji materiałowej |
3.1 na zapytanie |
|
Właściwości mechaniczne |
|
|
Materiał |
EN-AW 6063 |
|
Wyżarzanie |
T66 |
|
Granica sprężystości |
Rp0.2>=200 [N/ mm2] |
|
Wytrzymałość na rozciąganie |
Rm>=245 [N/ mm2] |
|
Pełzanie |
A >= 8 [%] |
|
Pełzanie |
A5 0mm>= 6 [%] |
|
Twardość |
>= 80 [HB] |
|
Specyfikacja techniczna |
|
|
Przekrój poprzeczny |
2369,20 [mm2] |
|
Środek masy X |
45,00 [mm] |
|
Środek masy Y |
45,00 [mm] |
|
Geometryczne momenty bezwładności |
Ix 2128688,00 [mm4] |
|
Geometryczne momenty bezwładności |
IY 2128688,00 [mm4] |
|
Współczynnik wytrzymałości przekroju na zginanie |
Wx 47304,00 [mm3] |
|
Współczynnik wytrzymałości przekroju na zginanie |
Wy 47304,00 [mm3] |
|
Waga nominalna |
6,420 [kg/m] |
Kalkulator ugięcia
Kalkulator ugięcia konstrukcyjnego profilu aluminiowego
Narzędzie to dostarcza przybliżonych, teoretycznych wyników, których nie możemy zagwarantować w praktyce.
Konfiguracje konstrukcyjnych profili aluminiowych
Podparcie profilu skrajne

Profile wspornikowe

Profile stałe




